ET900 Caja para medidor polifasico - monofasico o polifasico para AGPE
- Contenido
1. OBJETO
Establecer las condiciones que deben satisfacer las cajas con tapa extraíble para un medidor polifásico o para un medidor monofásico o polifásico para cuentas AGPE, las cuales deben poseer excelentes características técnicas de desempeño, durabilidad y calidad para cumplir las condiciones actuales de desempeño en los sistemas de distribución de energía.
2. ALCANCE
La presente especificación se exigirá a todas las cajas con tapa extraíble para un medidor polifásico o para un medidor monofásico o polifásico para cuentas AGPE a ser instaladas donde tenga cobertura Enel Colombia.
3. CONDICIONES DE SERVICIO
Las cajas con tapa extraíble para un medidor polifásico o para un medidor monofásico o polifásico para cuentas AGPE, serán utilizadas en el sistema de baja tensión del área de concesión de Enel Colombia, bajo las siguientes condiciones:
CARACTERÍSTICAS AMBIENTALES | |
| Altura sobre el nivel del mar | 2900 |
| Ambiente | Tropical |
| Humedad | Mayor al 90 % |
| Temperatura máxima y mínima | 45 ºC y - 5 ºC respectivamente. |
| Instalación | Empotrada |
| CARACTERÍSTICAS ELÉCTRICAS | |
| Tensión Nominal del sistema | 120/208 V. |
| Tensión máxima | 600 V |
| Disposición del sistema | Trifásico tetrafilar (3 Fases + Neutro) |
| Frecuencia del sistema | 60 Hz |
El uso de la caja podrá ser empotrado o sobrepuesto, se debe garantizar la hermeticidad requerida para uso a la intemperie.
4. SISTEMA DE UNIDADES
En todos los documentos técnicos se deben expresar las cantidades numéricas en unidades del sistema Internacional (S.I.). Si se usan catálogos, folletos o planos, en sistemas diferentes de unidades, deben hacerse las conversiones respectivas.
5. NORMAS DE FABRICACIÓN Y PRUEBAS
NORMA | DESCRIPCIÓN |
|---|---|
| ASTM B117 | Prueba de Cámara Salina |
| ASTM D6400-04 | Standard Specification for Compostable Plastics |
| ISO 2859-1 | Muestreo para inspección. |
| NTC 2154 | Bloques de Terminales para uso industrial. |
| NTC 2958 | Métodos de ensayo para cajas para instalación de medidores y cajas de derivación. |
| NTC 3278-1 | Conjuntos de equipos de baja tensión. Parte 1: Reglas generales. |
| NTC-IEC 60529 | Grados de protección dados por encerramiento de equipo eléctrico código IP. |
| NTC-IEC 62262 | Grados de protección proporcionados por los encerramientos de equipos eléctricos contra los impactos mecánicos externos (código ik) |
| NTC 3916 | Método de ensayo para la resistencia a la tracción de recubrimientos, utilizando probadores portatiles de adherencia. |
| UL 486A | Wire connectors and soldering lugs for use with cooper conductors |
| UL 1059 | Terminal Blocks |
| NTC 5991 | Envases y embalajes. requisitos de los envases y embalajes valorizables mediante compostaje y biodegradación. programa de ensayo y criterios de evaluación para la aceptación final del envase o embalaje |
Pueden emplearse otras normas internacionalmente reconocidas equivalentes o superiores a las aquí señaladas, siempre y cuando se ajusten a lo solicitado en la presente especificación técnica . Las normas citadas en la presente especificación (o cualquier otra que llegare a ser aceptada por Enel Colombia.) se refieren a su última revisión.
6. REQUERIMIENTOS TÉCNICOS PARTICULARES
6.1 Características Generales
Las cajas con tapa extraíble para un medidor polifásico o para un medidor monofásico o polifásico para cuentas AGPE requeridas por Enel Colombia deben cumplir con las siguientes condiciones:
a. Ser construida con materiales de la mejor calidad debiéndose descartar el empleo de materiales alterables por la humedad, radiación solar y otras condiciones ambientales desfavorables.
b. Ser autosoportable, compacta, liviana y con una estructura completamente rígida e indeformable, sin aristas, bordes ni esquinas vivas, agudas o cortantes.
c. La posición de trabajo de la caja será vertical, para facilitar la lectura de los medidores.
d. El material polimérico usado en la construcción del cuerpo, la tapa y en los soportes o accesorios, debe tener las siguientes propiedades según aplique:
- Autoextinguible.
- No Higroscópico.
- Alta resistencia al impacto.
- No deben presentar deformación ni cristalización por temperatura.
- Resistencia al ataque de químicos usados en la industria de la construcción, especialmente el alcalino debido al cemento.
- Protección UV, sin que la parte se decolore u opaque ni se pierdan propiedades químicas y mecánicas al estar a la intemperie.
- Rigidez dieléctrica.
- La transparencia de seguridad de la tapa deberá ser especialmente resistente a las ralladuras.
e. La caja debe tener un índice de hermeticidad IP44 de acuerdo a la norma NTC-IEC 60529, y con grado de protección contra choques IK10 (20,0. julios) en cuerpo y tapa e IK08 (5 julios) en el visor de vidrio.
f. La caja debe estar compuesta por el cuerpo y una tapa, la cual deberá poseer todos los accesorios necesarios y suficientes para su correcta utilización, funcionamiento y fácil transporte.
g. Debe permitir el montaje de un interruptor termomagnético monopolar, bipolar o tripolar de montaje en riel DIN.
h. Apta para ser empotrada en paredes de mampostería de domicilios con alimentación trifásica tetrafilar (3 F+N) desde las redes de distribución secundaria con los siguientes objetivos:
- Alojar y facilitar la instalación de un medidor trifásico (tetrafilar) y un interruptor termomagnético tripolar, de forma que el acceso a las conexiones sea exclusivo para el personal autorizado por Enel Colombia.
- Para cuentas AGPE (Autogeneradores a Pequeña Escala), instalación de medidor monofásico o polifásico y equipos de comunicaciones.
- Facilitar la lectura del medidor, las revisiones de la instalación y demás trabajos.
- Facilitar los procesos de corte y reconexión del servicio a los usuarios ocasionalmente morosos, desde la caja para medidor.
- Soportar la maniobra adecuada tanto de la conexión a la red secundaria, a los interruptores y a las instalaciones internas del domicilio.
- Proporcionar al usuario acceso únicamente a las palanquillas de los interruptores.
i. Cuando aplique, la sujeción al poste de concreto podrá efectuarse con una cinta de acero inoxidable de 5/8”
j. Demostrar la ausencia de las siguientes sustancias: Retardantes de llama bromados, el Ácido Perfluorooctano Sulfónico (PFOS) y sus sales, Fluoruro de Perfluorooctano Sulfonilo (PFOSF) y el Pentaclorobenceno (PeCB). Debe ser demostrado mediante ficha técnica.
6.2 Características geométricas y de construcción
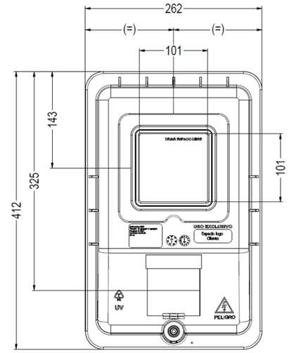
Las cajas para un medidor polifásico o para un medidor monofásico o polifásico para cuentas AGPE, serán de la forma y dimensiones que se muestran en las figuras anexas, teniendo en cuenta lo que se muestra a continuación:
| DIMENSIONES GENERALES | |||
| ÍTEM | CUERPO | TAPA | CAJA |
| Ancho [mm] | 255 | 262 | 262 |
| Alto [mm] | 404 | 412 | 412 |
| Profundidad [mm] | 120 | 70 | 181 |
6.2.1 Cuerpo
El cuerpo de la caja debe poseer perforaciones pretroqueladas para tubos metálicos, con las siguientes características:
PERFORACIONES PRETROQUELADAS | |||
ÍTEM | DIÁMETRO Pretroquelado | DIÁMETRO Conduit | CANTIDAD Pretroquelados |
Cara superior de la caja | 35-38mm |
1" | 2 |
Cara inferior de la caja | 23-25mm | 1/2" | |
35-38mm | 1" | 1 | |
Cara lateral derecha e izquierda | 35-38mm |
1" |
2, uno por cara |
Nota: Para las perforaciones de 1” se debe incluir marcación de centro punto para ampliar al diámetro superior que se requiera.
En la parte inferior de la caja se ubicará el terminal de tierra, dándole una altura suficiente para que sobresalga y facilite la conexión de la caja a la red.
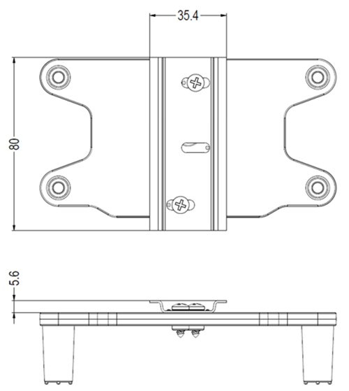
Se ubicará un soporte interruptor con una altura adecuada al que se ensamblará el riel interruptor con una altura de 5.6mm por medio de tornillos, para permitir el montaje de un interruptor termomagnético tripolar, bipolar o monopolar. Los soportes deben estar concéntricos con la caja de acceso al interruptor ubicada en la tapa, de forma tal que la palanca de accionamiento del interruptor nombrados en el literal g de características generales pueda operar desde el compartimiento y permita la apertura y cierre de la tapa sin que se accione dicha palanca y no se pueda acceder a las conexiones.
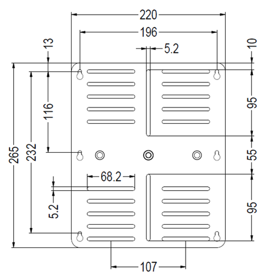
Adicionalmente, se encuentra una bandeja trifásica de dimensiones 220x265 mm, instalada al cuerpo de la caja sobre cuatro soportes o pines de sujeción. Para permitir el ensamble del medidor a la bandeja, cada bandeja tiene ensamblado un juego de: Tres tornillos M4x22, tres tuercas zincadas, tres arandelas de presión y tres arandelas planas. Todos los componentes deben estar zincados.
6.2.2 Tapa
En el área frontal de la tapa, se ubica una ventana de inspección con un marco (127 x 127 mm) y un visor en vidrio templado (IK8) con un espesor de 5 mm mínimo (101 x 101 mm). El marco y el visor únicamente se podrán desensamblar desde el interior de la caja.
En la parte inferior de la tapa se ubica la ventana de acceso al interruptor. Para limitar la abertura o acceso no autorizado al interruptor, la tapa corrediza debe contar con un relieve que tenga un ojal con diámetro interno de 7mm para el uso de un candado, este elemento deberá tener un ojal adicional de mínimo 2.4 mm de diámetro que permita la instalación de sello de seguridad.
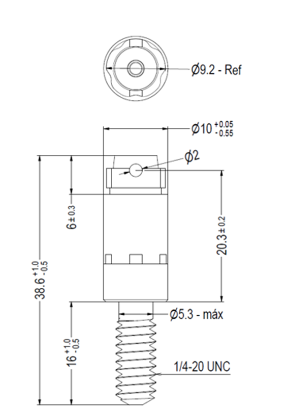
La tapa debe tener en su parte inferior un alojamiento que permita la instalación del perno de seguridad indicado en la figura 18, lo mismo que sello de seguridad con una perforación de diámetro interno de 3mm.
La caja debe ser fabricada con un marco alrededor de la tapa con una pestaña, de forma que permita el ajuste y cierre con el cuerpo, evitando el ingreso de agua al interior de la caja, las intervenciones y el acceso no autorizado o fraudulento de los usuarios o extraños.
6.2.3. Bornera de puesta a tierra
El interior de la caja debe contener una bornera de puesta a tierra para aterrizar el neutro, la caja y el medidor, así como los conductores de continuidad eléctrica y el electrodo de puesta a tierra. Deberá tener una capacidad no inferior de 65 A y tener la disposición de alojar conductores de calibre No.10 AWG hasta 6 AWG; para lo cual tendrá cuatro orificios en las partes laterales y cuatro en su parte superior. La sujeción de los conductores que pasan a través de la bornera por los orificios laterales deberá hacerse mediante tornillos de punta redondeada colocados a 90° de la perforación; esto asegurará una mayor superficie de contacto entre los conductores y la bornera. Esta bornera se debe sujetar al cuerpo mediante dos tornillos y debe ubicarse en la parte interior inferior. El material de la bornera debe ser cobre o aleación de cobre.
La corriente especificada para la bornera corresponde a su capacidad nominal y para la ejecución de las pruebas requeridas se deberán aplicar las corrientes especificadas en las normas de referencia para el conductor de mayor calibre a ser instalado y cuando sea requerido, la prueba se ejecutará con los conductores máximo, mínimo e intermedio, usados en la instalación de la bornera con sus correspondientes corrientes de ensayo.
6.2.4. Sistema compresión conductor
El sistema elegido para comprimir el conductor debe garantizar su correcta sujeción sin que se presenten:
a. Desconexiones accidentales de la alimentación secundaria o de las acometidas.
b. Daños al conductor como rotura o el trozado de alguno de los hilos.
c. Anomalías por esfuerzos mecánicos, eléctricos y térmicos que generen fallas en la sujeción o conexión.
6.3 Identificación
La caja tendrá grabado en alto relieve:
a. Inscripción en letras mayúsculas que diga “USO EXCLUSIVO DE Enel Colombia” en la parte frontal de la tapa de la caja.
b. Logotipo o nombre del fabricante, el tamaño de la letra será de mínimo 5mm.
c. Logotipo o nombre del comercializador, si aplica
d. Símbolo de puesta a tierra en la parte interior del cuerpo de la caja.
e. Debe marcarse con el Código de Identificación correspondiente a la materia prima, según codificación internacional de la “Sociedad de la Industria de Plásticos (SPI)” como se muestra a continuación:

*Gráfico tomado de: https://www.vertederocero.com/tipos-de-plasticos-y-sus-numeros/
* En caso de corresponder al grupo #7 “Other”, se deben indicar sus componentes.
f. En la parte frontal deberá tener como mínimo las siguientes marcaciones permanentes: Tensión nominal, grado IP, corriente nominal, corriente de cortocircuito, numero de fases, numero de hilos, fecha de fabricación, lote, referencia del producto, número y ente emisor del certificado de conformidad de producto con norma y RETIE.
g.Debe tener una marcación o impreso adhesivo que contenga la siguiente: Nombre, teléfono y ciudad donde se ubica el fabricante.
Adicionalmente debe incluirse el símbolo de riesgo eléctrico con las mínimas dimensiones indicadas en el art. 1.3.3.2 y tabla 1.3.3.2 del RETIE.
7. Muestreo
Para las pruebas de aceptación se realizará muestreo acorde a las siguientes tablas:
TABLA 1 PLAN DE MUESTREO PARA INSPECCIÓN VISUAL Y DIMENSIONAL (NIVEL DE INSPECCIÓN II, NAC = 2,5%), (NORMA NTC-ISO 2859-1 TABLA1 - TABLA 2A)
NUMERO PERMITIDO DE DEFECTUOSOS | NUMERO DEFECTUOSOS PARA RECHAZO | ||
|---|---|---|---|
2 a 8 | A = 2 | 0 | 1 |
9 a 15 | B = 3 | 0 | 1 |
16 a 25 | C = 5 | 0 | 1 |
26 a 50 | D = 8 | 1 | 2 |
51 a 90 | E = 13 | 1 | 2 |
91 a 150 | F = 20 | 1 | 2 |
151 a 280 | G = 32 | 2 | 3 |
281 a 500 | H = 50 | 3 | 4 |
501 a 1200 | J = 80 | 5 | 6 |
1201 a 3200 | K = 125 | 7 | 8 |
3201 a 10000 | L = 200 | 10 | 11 |
TABLA 2 PLAN DE MUESTREO PARA LOS ENSAYOS MECÁNICOS (NIVEL DE INSPECCIÓN ESPECIAL S-3, NAC = 2,5%), (NORMA NTC-ISO 2859-1 TABLA1 - TABLA 2A)
TAMAÑO DEL LOTE | TAMAÑO DE LA MUESTRA | NUMERO PERMITIDO DE DEFECTUOSOS | NUMERO DEFECTUOSOS PARA RECHAZO |
|---|---|---|---|
2 a 8 | A = 2 | 0 | 1 |
9 a 15 | A = 2 | 0 | 1 |
16 a 25 | B = 3 | 0 | 1 |
26 a 50 | B = 3 | 0 | 1 |
51 a 90 | C = 5 | 1 | 2 |
91 a 150 | C = 5 | 1 | 2 |
151 a 280 | D = 8 | 1 | 2 |
281 a 500 | D = 8 | 1 | 2 |
501 a 1200 | E = 13 | 1 | 2 |
1201 a 3200 | E = 13 | 1 | 2 |
3201 a 10000 | F = 20 | 1 | 2 |
8. PRUEBAS
Las cajas de medidores deben cumplir con las siguientes pruebas:
PRUEBAS A REALIZAR | TIPOS DE PRUEBAS | ||
|---|---|---|---|
Tipo / Homologación | Rutina / Fabricación | Aceptación / Recepción | |
| Certificados de materiales | X | X | X |
| Propiedades materiales poliméricos | X | X |
|
| Inspección dimensional, inspección visual y funcional (cierre - apertura de la tapa) | X | X | X |
| Ensayo de envejecimiento UV | X |
|
|
| Ensayo de inflamabilidad | X |
|
|
| Prueba contra impacto (código IK) | X | X | X |
| Ensayo de grado de protección (código IP) | X | X | X |
| Ensayo de autoextinción | X |
|
|
| Ensayo de resistencia a variaciones de temperatura (resistencia a la estufa) | X |
|
|
| Análisis químico a borneras | X |
|
|
| Cámara de amoniaco a borneras | X |
|
|
| Ensayo de corto circuito a bornera de puesta a tierra. | X |
|
|
| Ensayo de calentamiento estático a bornera de puesta a tierra. | X |
|
|
| Ensayo de tracción a borneras | X |
|
|
| Ensayo de seguridad de montaje a borneras | X |
|
|
| Ensayo de ensamble a borneras | X | X | X |
| Ensayo de imborrabilidad y permanencia del rotulo | X |
|
|
| Otras pruebas (requerimiento RETIE) | X |
|
|
8.1 Certificados de materiales
Deben presentarse los resultados de los siguientes análisis químicos:
a. Certificado de análisis químico y de propiedades del material polimérico.
b. Certificado del tipo de recubrimiento de las borneras (subproveedor) - si aplica.
c. Composición química de la bornera.
8.2 Propiedades materiales poliméricos
Las cajas cuyo cuerpo y puerta estén fabricados en materiales de naturaleza polimérica o equivalente a este, deben poseer las siguientes características:
a. Resistencia a la tracción 612 kg/cm2,
b. Resistencia a la flexión de 730 kg/cm2,
c. Resistencia a la rotura 714kg/cm2.
d. Dureza Brinell de R-scale 120.
e. Auto extinguible (V2).
f. No higroscópico
g. No degradación.
8.3 Inspección Dimensional
La verificación de las dimensiones se hará con los instrumentos de medida que den la aproximación requerida (cinta metálica con divisiones de 1 mm para longitudes y calibrador para los diámetros y espesores). El tamaño de la muestra deberá estar de acuerdo con la tabla 1.
Se verificará con base a:
- Esquemas indicados en las figuras anexas a la presente especificación.
- Planos entregados por el fabricante y aprobados por Enel Colombia.
A menos que se especifique lo contrario en las figuras anexas o en la planilla de recepción anexa a la presente especificación, las tolerancias generales son:
- Para la tapa y la base: ±10 mm,
- Perno, Buje, platina y llave del sistema de seguridad: ±0.5 mm.
8.4 Inspección Visual
Se verificarán:
a. Las marcaciones descritas en el numeral 6.3
b. La buena terminación de todos los elementos constitutivos de la tapa y sus accesorios.
c. La ausencia de grietas, sopladuras, poros, exfoliaduras, ampolladuras, raspaduras u otros defectos.
8.5 Inspección funcional
Se verificará el correcto cierre y apertura de la tapa al cuerpo, el adecuado funcionamiento del dispositivo de cierre, incluyendo cambio de tornillo, el adecuado montaje del interruptor riel DIN, en el caso de las cajas AGPE el adecuado montaje del modem, fuente y antena en la bandeja auxiliar.
8.6 Ensayo de envejecimiento UV
Este ensayo se realiza a las partes en material polimérico. Debe cumplir 600 h, ciclo 1 con lámparas fluorescentes UVB a 313 nm. La medida de amarillez debe ser no mayor al 25% de aquel medido antes del ensayo UV. Ver norma NTC 2958.
8.7 Ensayo de inflamabilidad
Este ensayo se realiza a las partes en material polimérico. Deberá cumplir con un valor mínimo V0 para partes portadoras de corriente y V2 para partes no portadoras de corriente. Ver norma NTC 2958
8.8 Prueba contra impacto (Código IK)
El ensamble del cuerpo y la tapa deben ser resistentes al impacto de un martillo pendular IK 10 (20 julios) para el cuerpo y la tapa, IK08 (5 julios) para el visor de vidrio. Luego del impacto, la caja debe conservar su grado de protección IP manteniendo su funcionalidad en la apertura y cierre de la tapa. Adicionalmente, no se deben presentar roturas en el visor ni en el marco y el conjunto debe permanecer ensamblado. Se verificará de acuerdo con la NTC-IEC 62262.
8.9 Ensayo de grado de protección (Código IP)
El índice de hermeticidad para las cajas será IP44, este grado de protección se verificará de acuerdo a la norma NTC-IEC 60529.
8.10 Ensayo de autoextinción
Este ensayo deberá realizarse en dos unidades de diferentes muestras y será ejecutado de acuerdo a lo descrito en la norma HN60E01 apartado 6 o a la norma ANSI/ASTM 635.
El ensayo no será satisfactorio si no se consume completamente el material, no continúa quemándose el material más de 5 segundos después de retirado el alambre del dispositivo de ensayo y si no presenta desprendimiento de gotas inflamadas o partículas incandescentes.
8.11 Ensayo de resistencia a variaciones de temperatura (resistencia a la estufa)
Se debe realizar sobre la caja completa y armada. La temperatura deberá se elevada a 80°C ± 2°C, durante el ensayo el material no deberá sufrir ninguna deformación que afecte el correcto funcionamiento posterior.
8.12 Ensayo de resistencia a la penetración de una bolilla
Deberá realizarse sobre el cuerpo de la caja y de la tapa siguiendo las modalidades indicadas en la norma HN 60-E-01, apartado 5.1. Durante el ensayo la temperatura de la estufa será mantenida a 80°C ± 2°C. Al finalizar la ejecución del ensayo el diámetro de la impronta producida por la bolilla no debe ser superior a 2mm.
8.13 Análisis químico a borneras
Se debe determinar la composición química de la bornera bien sea de cobre, aleación de cobre, según norma DIN 1709 o su equivalente. Para las borneras de cobre o aleación de cobre cuya composición química en zinc exceda el 15%, se aplicará el ensayo de cámara de amoniaco del numeral 8.14.
8.14 Cámara de amoniaco a borneras
Las borneras de cobre o aleación de cobre y cuyo porcentaje de zinc sea superior al 15% no deben mostrar evidencia de fisuras luego de someterlas a la cámara de amoniaco con un aumento de 25X, según norma UL 486A.
8.15 Corto circuito a bornera de puesta a tierra
Se debe ensayar la bornera con el conductor de calibre máximo de uso especificado en el numeral 6.2.3.1 de esta especificación.
Para determinar el cumplimiento de este ensayo, se debe seguir la secuencia de actividades especificadas en la UL1059 con las corrientes y mediciones establecidas para borneras de tipo comercial o industrial.
8.16 Calentamiento estático a bornera de puesta a tierra
Se debe ensayar la bornera con el conductor de calibre máximo de uso especificado en el numeral 6.2.3 de esta especificación.
Para determinar el cumplimiento de este ensayo, se debe seguir la secuencia de actividades especificadas en la NTC 2154 para el calibre del conductor especificado.
8.17 Ensayo de tracción a borneras
Se aplicará a la bornera una fuerza de tracción correspondiente a la sección trasversal del conductor, según valores establecidos en la NTC 2154, sin que el conductor se salga de la bornera ni la bornera se desprenda del cuerpo de la caja.
8.18 Ensayo de seguridad de montaje a borneras
Se monta una bornera sobre una placa de acero o un riel suministrado por el fabricante, a cada lado de la bornera se fija un pin de acero de longitud y diámetro establecidos en la NTC 2154. Se aplica gradualmente la fuerza indicada a una distancia de 100 mm del centro de la fijación, una vez en cada dirección, alternadamente sobre cada lado de la bornera.
No se permiten golpes para aplicar la fuerza, una vez que se ha terminado el ensayo no se deben presentar deterioros en la bornera, ni soltarse algunos de los medios de montaje de la misma.
8.19 Ensayo de ensamble a borneras
De acuerdo con la norma NTC 2154, se monta una bornera sobre una placa de acero o un riel suministrado por el fabricante, se inserta el conductor y se aprietan los tornillos de fijación al 110% del torque especificado por el fabricante. Luego se deben aflojar los tornillos de fijación e insertar nuevos conductores apretándolos al 110% del torque. Se repite el ensayo hasta completar 5 montajes usando las mismas borneras.
Este procedimiento se debe efectuar para el conductor de mayor diámetro y el de menor diámetro; en ninguno de los dos casos debe presentarse deterioro de los tornillos, de la bornera ni del conductor.
8.20 Ensayo de imborrabilidad y permanencia del rotulo
El rotulado de confirmar el cumplimiento de las características de imborrabilidad conforme a IEC 60950-1 y de permanencia conforme a UL 969 (NTC 5676). Estas pruebas aplican solo para etiquetas adhesivas usadas sobre la caja.
8.21 Otras pruebas (requerimiento RETIE)
Las siguientes pruebas deben realizarse de acuerdo a la NTC 3278-1:
- Tensión soportada a frecuencia industrial
- Distancias de aislamiento y fuga.
- Corriente de cortocircuito.
- Resistencia al calor normal
- Resistencia al calor anormal y al fuego
- Estabilidad térmica (resistencia al calor para encerramientos no metálicos).
9. EMPAQUE
Toda caja para medidor debe ir completa y cerrada, debe protegerse contra rayaduras y daños dentro del transporte, para esto cada una debe embalarse en una caja de cartón grueso, en cuyo exterior debe indicarse en forma impresa el “nombre del fabricante”, propiedad de “Enel Colombia.”, descripción del producto “Caja para un medidor polifásico - monofásico o polifásico para AGPE”, número de contrato y código de inventario Enel Colombia.
Para el transporte debe embalarse en estibas con un número de unidades no mayor a 90 unidades por estiba y la estiba recubierta y sellada con material plástico, sobre el cual se adherirá una etiqueta de por lo menos 30 x 30 cm que indique que no se puede almacenar más de dos estibas en sentido vertical.
Los materiales usados para el empaque (Cartón, Plástico, Icopor, etc) deben contener como mínimo un 40% de material reciclado posconsumo o pos industrial, lo cual se demostrará conforme a lo dispuesto en la ficha técnica del producto.
Adicionalmente los plásticos usados deben ser biodegradables en un porcentaje igual o superior al 30% según lo indicado en las normas NTC-5991-2014, ASTM D6400-04, UNE-EN-ISO 13432:2000-11, DINV54900-2. De la misma manera el proveedor debe asegurar que los materiales plásticos requeridos para el empaque no deben contener sustancias de interés ambiental en su composición como Zinc (Zn), Cobre (Cu), Níquel (Ni), Cadmio (Cd), Plomo (Pb), Mercurio (Hg), Cromo (Cr), Arsénico (As) y Cobalto (Co).
Los requisitos deberán ser demostrables con una ficha técnica del material utilizado.
10. GARANTÍA DE FABRICA
Enel Colombia requiere como mínimo, un período de garantía de fábrica de veinticuatro (24) meses, a partir de la entrega de los bienes.
11. CERTIFICADOS DE CONFORMIDAD
El oferente adjuntará con su propuesta el certificado de conformidad de producto con norma técnica y RETIE, expedido por una entidad autorizada por la ONAC.
12. PRESENTACIÓN DE LAS OFERTAS
El oferente deberá presentar su oferta técnica con la siguiente información:
- ANEXO 1: planillas de características técnicas garantizadas en formato Excel, la cual deberá ser diligenciada completamente.
- EXCEPCIONES TÉCNICAS: apartado en el cual se deben relacionar las excepciones de carácter exclusivamente técnico de la oferta, respecto a los bienes solicitados. Si la oferta no presenta excepción, se indicaría expresamente en el mismo “NO HAY EXCEPCIONES”
- CERTIFICACIONES: Certificación del sistema de calidad del fabricante y del producto con norma técnica y RETIE.
- EVIDENCIA TÉCNICA: relación de clientes, evidencia de su capacidad técnica y experiencias relacionadas con los materiales y/o equipos cotizados.
- GARANTÍA: carta de garantía de los bienes cotizados.
- CATÁLOGOS: catálogos originales completos y actualizados del fabricante, que correspondan a los bienes cotizados.
- INFORMACIÓN ADICIONAL: información adicional que se considere aporta explicación al diseño de la caja (dibujos, detalles, dimensiones y pesos de los materiales ofertados), así como las instrucciones de instalación, características de operación y mantenimiento.
Para la evaluación técnica se debe entregar una caja de muestra de cada una de las referencias ofertadas sin cargo a devolución, con cada una de las características técnicas, solicitadas y mencionadas en la presente especificación.
Enel Colombia. podrá descartar ofertas que no cumplan con las anteriores disposiciones, sin expresión de causa ni obligación de compensación.
13. EVALUACIÓN DE CONFORMIDAD TÉCNICA (TCA)
La conformidad técnica debe ser respaldada mediante la realización de todos los ensayos tipo y de rutina indicados en la presente especificación. El detalle de los documentos a presentar y el procedimiento a seguir es el indicado en el documento “GSCG002: TECHNICAL CONFORMITY ASSESSMENT”.
14. CÓDIGOS DE MATERIALES
CÓDIGO | DESCRIPCIÓN | GRUPO MERCOLÓGICO |
280023 | Caja Medidor Trifásico tapa plana | FEAT0104 |
FIGURA 1. VISTA FRONTAL

FIGURA 2. VISTA FRONTAL - INTERIOR

FIGURA 3. VISTA LATERAL IZQUIERDA

FIGURA 4. VISTA LATERAL- INTERIOR DERECHA

FIGURA 5. VISTA SUPERIOR

FIGURA 6. VISTA INFERIOR

FIGURA 7: BANDEJA PARA MEDIDOR POLIFÁSICO

FIGURA 8: VENTANA DE INSPECCION

FIGURA 9. SOPORTE INTERRUPTOR

FIGURA 10. RIEL INTERRUPTOR

FIGURA 11. TAPA CORREDIZA


FIGURA 12. ALOJAMIENTO PERNO

FIGURA 13. MONTAJE A POSTE


Si se requiere la instalación de equipos de comunicaciones para cuentas AGPE, se deben adicionar a la caja los siguientes elementos:
FIGURA 14. BANDEJA MONTAJE EQUIPOS DE COMUNICACIONES

FIGURA 15. MONTAJE EQUIPOS DE COMUNICACIONES CONFIGURACION 1

FIGURA 16. MONTAJE EQUIPOS DE COMUNICACIONES CONFIGURACION 2

FIGURA 17. ENSAMBLE CAJA PARA AGPE

FIGURA 18. PERNOS SISTEMA DE SEGURIDAD

ANEXO 1
CARACTERÍSTICAS TÉCNICAS GARANTIZADAS
CAJA PARA UN MEDIDOR TRIFÁSICO | ||||
|---|---|---|---|---|
N° | ELEMENTO | CARACTERÍSTICA | OFERTADO | |
1 | Proponente | País de fabricación | ||
| Fabricante | ||||
| Representante del fabricante | ||||
2 | Normas | Fabricación y pruebas | ||
3 | Características eléctricas | Tensión nominal [V] | ||
4 | Componentes | Una bandeja portamedidor (si/no) | ||
| Una bandeja con sus accesorios para montaje de equipos de comunicaciones (Aplica solo para la versión de AGPE) (si/no) | ||||
| Un visor en vidrio templado (si/no) | ||||
| Una bornera de Puesta a Tierra (si/no) | ||||
| Diámetro y número de pretroquelados | En la parte superior |
| ||
| En la parte inferior |
| |||
| En la parte lateral |
| |||
| Para la bandeja se entrega ensamblado un juego de 3 tornillos zincados M4x22, 3 tuercas zincadas, 3 arandelas de presión zincadas para tornillo, 3 arandelas planas zincadas para tornillo (si/no) | ||||
| 1 buje para sistema de seguridad rosca hembra ¼-20 UNC, ubicado en el cuerpo de la caja (si/no) | ||||
5 | Acabado | Sin grietas, sopladuras, poros, exfoliaduras, ampolladuras, raspaduras u otros defectos | ||
6 | Marcación | Logo: Terminal de puesta a tierra y riesgo eléctrico | ||
| Texto: "USO EXCLUSIVO Enel Colombia" | ||||
Datos técnicos e información del Fabricante y todas las marcaciones indicadas en capítulo. 6.3 | ||||
7 | Materiales | Material de la ventana de inspección |
| |
| Material del marco de la ventana de inspección | ||||
| Composición química de la bornera | ||||
| Composición química del sistema de seguridad (buje y tornillo) | ||||
8 | Dimensionales | Total (ancho x alto x profundidad) |
| |
| Cuerpo (ancho x alto x profundidad) |
| |||
| Tapa (ancho x alto x profundidad) |
| |||
| Marco ventana de inspección | ||||
| Visor | ||||
| Bandeja Portamedidor | ||||
| Bandeja y accesorios para instalación de equipos de comunicaciones (Solo para cuentas AGPE) | ||||
| Espesor ventana de inspección | ||||
| Dimensiones Bornera | ||||
| Diámetro del alojamiento para el conductor que aloja la bornera de tierra (AWG) | ||||
| Distancia entre centros perforaciones de anclaje de la bandeja portamedidor | ||||
9 | Empaque | Cumple con lo solicitado en el numeral 9 (Presentan ficha técnica del material utilizado) (si/no) | ||
10 | Certificado sistema de calidad (Norma ISO9001) del fabricante | Entidad certificadora | ||
| Número de certificado | ||||
| Fecha de aprobación (Día/Mes/Año) | ||||
| Vigencia | ||||
| Adjunta el certificado (Si/No) | ||||
11 | Certificación de producto con norma técnica | Entidad certificadora | ||
| Número de certificado | ||||
| Fecha de aprobación (Día/Mes/Año) | ||||
| Vigencia | ||||
| Adjunta el certificado (Si/No) | ||||
12 | Certificación de producto con RETIE | Entidad certificadora | ||
| Número de certificado | ||||
| Fecha de aprobación (Día/Mes/Año) | ||||
| Vigencia | ||||
| Adjunta el certificado (Si/No) | ||||
13 | Desviaciones presentadas | |||
14 | Caja de muestra para evaluación técnica (Si/No) | |||
15 | Garantía (meses) | |||
DATOS ADICIONALES
Revisión #
6
Fecha de entrada en vigencia
Actividad de los usuarios
Para hacer comentarios debe iniciar sesión o registrarse aquí