Criterios de selección para incorporación e implementación de telecontrol en centros de distribución
- Contenido
CONTENIDO
1. GENERALIDADES
2. OBJETIVO
3. CONSIDERACIONES PARA LA INSTALACIÓN DE TELECONTROL EN CENTROS DE DISTRIBUCIÓN
3.1. Criterios por configuración y operatividad de la red
3.2. Criterios por cantidad de clientes / potencia instalada
4. TELECONTROL
5. COMUNICACIONES
6. EQUIPOS
6.1 CELDAS SECUNDARIAS
7. CONFIGURACIONES DE CONJUNTOS DE EQUIPOS
Listado de Figuras.
Figura 1. Distribución típica de proyectos de 6000 cuentas.
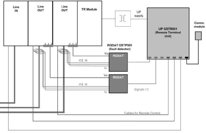
Figura 2. Esquema Centro de Distribución controlado remotamente equipado con detectores de falla.
Figura 3. Tamaño Típico de Celdas.
Figura 4. 2L+1T transformador de 150 kVA a 225 kVA.
Figura 5. 3L+1T transformador de 150 kVA a 225 kVA.
Figura 6. 4L+1T transformador de 150 kVA a 225 kVA.
Figura 7. Referencial de Subestación con Transformador de Bujes no aislados.
CRITERIOS PARA SELECCIÓN DE INCORPORACIÓN DE TELECONTROL EN CENTROS DE DISTRIBUCIÓN MT/BT
1. Generalidades
Los lineamientos mencionados en este documento se aplicarán a los centros de distribución MT/BT a ser construidos en las redes de distribución local de ENEL COLOMBIA S.A. bien sea por parte del Operador de Red y/o clientes finales.
ENEL COLOMBIA S.A. como Operador de Red (OR), tiene la responsabilidad de asignar un punto de conexión que le permita al cliente contar con un suministro energético eficiente, acorde a sus necesidades de carga y características de operación del Sistema Eléctrico.
Teniendo en cuenta la responsabilidad del OR de garantizar el servicio de energía eléctrica de los clientes con mejoras en la calidad y continuidad del servicio es importante implementar en las redes equipos de operación con telecontrol que permitan la detección inmediata de fallas, el aislamiento rápido del sector con falla y el restablecimiento del servicio de manera remota, con el fin de aumentar la eficiencia en la operación y toma de decisiones.
2. Objetivo
Establecer los criterios para la definición de los centros de distribución MT/BT estratégicos de la red eléctrica en donde se debe instalar equipos telecontrolados que permita la operación selectiva de las protecciones de la red, la detección de falla, el aislamiento y realimentación de la red, minimizando la duración de interrupciones a los clientes.
3. Consideraciones para la instalación de telecontrol en Centros de distribución
Las consideraciones para determinar si un centro de distribución debe ser telecontrolado, se enmarca en criterios operativos que faciliten la detección de la zona de la red con falla, la posibilidad de seccionamiento y maniobra para aislamiento de la falla, el restablecimiento de las zonas sin falla y la cantidad de clientes reestablecidos con servicio. Por consiguiente, los criterios a tener en cuenta para la instalación de telecontrol en centros de distribución son:
- Configuración y operatividad de la red
- Pasos de telecontrol
3.1. Criterios por configuración y operatividad de la red
De acuerdo con la topología de la red eléctrica en la cual será instalado el nuevo centro de distribución, se aplican los siguientes criterios para la implementación de telecontrol:
- Centros de distribución en los que sitios donde confluyan 3 o más derivaciones de la red MT de distribución
- Las derivaciones, principales o secundarias, que por sí mismas o en su conjunto sean de una longitud superior a 1 km. Estas se protegerán mediante celdas RMU con interruptores y/o seccionadores tripolares con corte en SF6 telecontrolados y sistema de detección de paso de falla.
- Centros de distribución que se definan como puntos frontera de operación con otros circuitos de MT (puntos de suplencia) o con otros operadores.
- Centros de distribución en los que sea solicitado por el cliente y centros con necesidades especiales de calidad de suministro (hospitales, instalaciones o espacios con alta concentración de personas, industrias con procesos de fabricación sensible a interrupciones, entre otras).
- Centros de distribución con punto de seccionamiento de primera maniobra. Se definen como aquellos dispositivos de maniobra de primera intervención ante incidencias imprevistas detectadas en la línea MT, tales como desconexiones de cabecera de línea o alarmas de defecto a tierra, con objeto de localizar el tramo averiado.
- Centros que presenten especiales dificultades de acceso al Operador de Red.
Se priorizan tramos de la red con altos índices de fallas o donde las maniobras manuales representan tiempos prolongados de restablecimiento del servicio.
3.2. Criterios por pasos de telecontrol según cantidad de clientes
El definir pasos de telecontrol con clientes en la red eléctrica permite la mejora en la eficiencia, el tiempo de respuesta ante fallas y la gestión en la operación de la red. En ese sentido para reducir la duración de cortes y clientes afectados acorde con los indicadores de calidad de servicio se deben implementar el telecontrol entre puntos donde exista en promedio entre 450-550 clientes.
Para proyectos Serie 1 se debe considerar la totalidad de clientes que tendrá el proyecto y seleccionar los puntos estratégicos de implementación de telecontrol para garantizar la operatividad y flexibilidad de maniobra de la red
A continuación, se definen los parámetros recomendables en función de la cantidad de cuentas:
- Los Centros de distribución que tengan transformadores de distribución con más de 500 clientes, deberán tener habilitada en sus celdas de media tensión la opción de telecontrol o en su defecto disponer de selectividad en los circuitos de baja tensión mediante interruptores para mitigar afectación sobre la totalidad de los clientes conectados al transformador.
- Instalar un dispositivo de maniobra telecontrolado (como celdas en SF6 o Free SF6 para redes de distribución subterránea o seccionalizadores para redes aéreas), que permita interrumpir el flujo eléctrico y aislar zonas específicas con el fin de reducir el número de clientes afectados en caso de falla.
- La cantidad y ubicación de los dispositivos se determinan durante la etapa de diseño, pero su instalación no es un requisito para realizar la aprobación del recibo de obra.
- Durante el diseño se deberá prever el espacio necesario para la futura instalación de equipos.
- La cantidad de clientes por segmento podrá ajustarse conforme a las condiciones particulares del proyecto.
A continuación, se muestra la topología típica de un proyecto que alimenta a 5000 clientes:

Figura 1. Distribución indicativa para de proyectos de 5000 cuentas
4. Telecontrol
Se entiende por telecontrol el conjunto de equipos para la realización de control y operación remota desde el Centro de Control de ENEL Colombia, en algunos casos con la opción de realizar la función protección.
Es posible a través del telecontrol realizar acciones de apertura o cierre del seccionador y/o interruptor de la celda secundaria. No obstante, estos equipos deben entrar en operación con todo el set de pruebas de integración locales y remotas que dispone ENEL para tal fin y que hoy día ya están definidos para este tipo de equipos.
La solución estándar de telecontrol incluye una Unidad de Terminal Remota (UTR) y RGDAT: sensores de presencia o ausencia de tensión y sensores de corriente. La cantidad de RGDAT será según el número de salidas de línea.
La UTR estándar utilizada para telecontrol y supervisión de la red de distribución de media tensión esta descrita en la especificación global GSTR001. Este dispositivo, también llamado UP, es instalado en la subestación secundaria, y es capaz de controlar los seccionadores de las celdas de media tensión.
El Tablero de Baja Tensión para Servicios Auxiliares debe cumplir la Especificación Técnica GSCL001 Electrical control panel auxiliary services of secondary substations.
El RGDAT es un dispositivo que se instala en los Centros de distribución de MT/BT con control remoto para localizar la presencia de fallas y la ausencia de señal de tensión en la línea. La subestación secundaria debe ser equipada con este dispositivo. La especificación técnica global es la GSTP001.
Para las Celdas con interruptor MT (GSCM004) aplica el dispositivo RGDM.
El RGDM es un dispositivo diseñado para su instalación en el compartimento de media tensión, con un interruptor, un seccionador de línea y seccionador a tierra, ubicado en subestaciones secundarias telecontroladas, para protección, medición, telecontrol y monitorización. Las funciones de protección del RGDM son: 51, 52 y 67.
Todos los equipos del Telecontrol deben ser compatibles con el protocolo IEC 104, también se aceptan: IEC 61850.

Figura 2. Esquema Centro de Distribución controlado remotamente equipado con detectores de falla.
La ampliación del detalle técnico sobre el Telecontrol se encuentra en el Anexo del presente documento.
5. COMUNICACIONES
El tablero de comunicaciones es un espacio diseñado para alojar los elementos que permitan establecer la comunicación entre el centro de control y el centro de distribución.
ENEL COLOMBIA validará la cobertura de comunicaciones (fibra óptica, celular, etc.), según este resultado será implementado el medio correspondiente; en función de las características del Centro de Distribución y su ubicación, el sistema de comunicación adecuado.
A continuación, se indican los sistemas empleados en la actualidad, sin perjuicio de que puedan aparecer nuevas soluciones o evolucionen las actuales.
- LTE (Long Term Evolution): Estándar de comunicación inalámbrica de banda ancha para dispositivos móviles (4G).
- FTTH (Fiber to the home): Fibra óptica.
- VSAT (Very Small Aperture Terminal): Sistema de comunicación satelital que utiliza antenas parabólicas de pequeño tamaño para recibir y enviar datos de un satélite. Se utiliza comúnmente en zonas remotas o rurales donde no hay infraestructura de fibra óptica o redes terrestres.
En la construcción de las canalizaciones requeridas para la conexión a las redes eléctricas se deberá prever la instalación de un (1) ducto exclusivo para el ingreso de un conductor de fibra óptica y/o cable de comunicación a cada una de las subestaciones, que permita la comunicación de los equipos de maniobra telecontrolados con el centro de control, este ducto será adicional a los ductos de distribución de energía y será de 3” por todo el recorrido hasta los equipos mencionados.
6. EQUIPOS
Todos los materiales utilizados en instalaciones que formen parte de la red de distribución de ENEL COLOMBIA deben tener adecuadamente garantizada su calidad y cumplir con las especificaciones técnicas de la empresa. Los materiales para instalar cumplirán con las normas nacionales (NTC) o internacionales (IEC) declaradas como de obligatorio cumplimiento en el RETIE.
En los proyectos del alcance de este documento, los materiales instalados en la parte que quede propiedad de ENEL COLOMBIA deberán cumplir las especificaciones técnicas de la empresa con el objetivo de conseguir una mayor homogeneidad y confiabilidad, garantizar la seguridad de las personas y las instalaciones, para permitir la operación y el mantenimiento.
En la página web de likinormas (https://likinormas.enelcol.com.co/) de ENEL Colombia se pueden consultar las especificaciones técnicas y normas de construcción.
ENEL Colombia exigirá los certificados que demuestren que los materiales de las instalaciones que van a ser cedidas cumplen con el RETIE y las normas y/o especificaciones técnicas de la Empresa. Este trámite no será necesario si los materiales instalados forman parte del listado de materiales homologados por ENEL COLOMBIA dado que ya se han solicitado y verificado previamente.
Los activos que requiera instalar el constructor para el cumplimiento de los parámetros aquí mencionados podrán ser luego adquiridos por ENEL COLOMBIA mediante compra de activos definidos en la CREG 015 de 2018, siempre y cuando cumplan con todas las especificaciones y características técnicas estipuladas en las normas Enel Colombia.
Las celdas secundarias, el sistema de supervisión y telecontrol podrán ser suministrados por Enel Colombia, esto sujeto a disponibilidad de equipos y condiciones del proyecto que serán evaluadas durante el desarrollo del diseño eléctrico de distribución Serie 1. Por lo cual, la inclusión de estos activos no son motivo de rechazo para la energización durante la etapa de recibos de obra.
6.1 CELDAS SECUNDARIAS
Las Celdas Secundarias pueden ser con Seccionador o con Interruptor de acuerdo con los requerimientos de automatización, no deben combinarse Seccionadores con Interruptores en la misma Subestación Secundaria.
Además de las características generales establecidas en las especificaciones GSM001 y GSCM004, las Celdas deberán cumplir con las siguientes características particulares:
- Fácil y rápido montaje, sin requerir ninguna adecuación de tipo civil para su instalación.
- Condiciones seguras para el personal operativo y del público en general.
- Alta confiabilidad de servicio.
- Fácil operación y disponibilidad de maniobra desde el exterior de las celdas.
- El compartimento de cables debe contar con espacio suficiente ya sea en la parte frontal o posterior de las celdas (según la ubicación del compartimiento de cables), de forma que sea viable el armado de los terminales y conexionado en las celdas.
A continuación, a manera de ilustración se muestran dimensiones de Celdas Secundarias.

Figura 3. Tamaño Típico de Celdas.
7. CONFIGURACIONES DE CONJUNTOS DE EQUIPOS
A manera de ilustración se presentan vistas de planta de distintas configuraciones de Celdas Secundarias. Con Transformadores que tienen bujes tipo codo (frente muerto).

Figura 4. 2L+1T transformador de 150 kVA a 225 kVA.

Figura 5. 3L+1T transformador de 150 kVA a 225 kVA.

Figura 6. 4L+1T transformador de 150 kVA a 225 kVA.
Ítem | Especificación | Descripción |
1 | Transformador de distribución | |
2 |
| División o barrera de acceso al Transformador |
3 | Celdas RMU con seccionador Celdas RMU con interruptor | |
4 | Tablero Telecontrol (TLC), contiene: - UP (GSTR001), con su fuente y su módulo de conexión a equipos. - CT’s y PT’s, según la versión de celda asociada puede requerirse. | |
5 | Tablero Servicios Auxiliares (SS.AA.) | |
7 |
| Puertas de acceso para operación y mantenimiento transformador |
8 |
| Puerta ingreso transformador |
10 |
| Puerta de acceso celdas y tableros |
Tabla No. 1 listado de equipos para centro de distribución telecontrolado
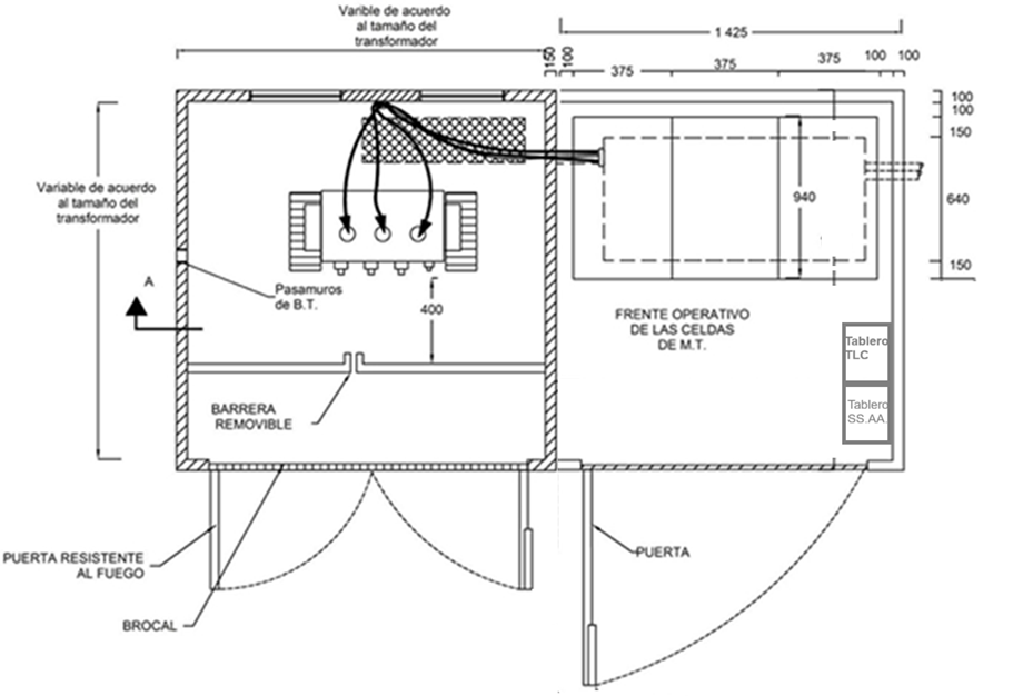
En caso de centros de distribución con transformadores con bujes no aislados, se debe considerar la norma CTS515, incluyendo los Tableros:
- Tablero Telecontrol (TLC), contiene UP.
- Tablero Servicios Auxiliares (SS.AA.)

Figura 7. Referencial de Subestación con Transformador de Bujes no aislados.
DATOS ADICIONALES
Revisión #
0
Fecha de entrada en vigencia
Actividad de los usuarios
Para hacer comentarios debe iniciar sesión o registrarse aquí