ET526 Seccionadores DPS 15 kV
- Contenido
1. OBJETO
Esta especificación técnica tiene por objeto establecer las características y requisitos técnicos que deben cumplir y los ensayos a los cuales deben ser sometidos los SECCIONADORES DPS 15 kV, que solicitará ENEL Colombia.
2. ALCANCE
Desarrollo de un equipo que permita la instalación e intercambiabilidad de descargadores de distribución, para viabilizar su cambio desde nivel de piso sin requerir la desenergización de la línea o el uso de equipos de línea energizada.
2.1 APLICACIÓN
Mayormente utilizado cómo descargador de línea en zonas de muy alto nivel ceráunico, o cómo protección de equipos cómo reconectadores, seccionalizadores o transformadores de distribución en dichas zonas.
3. SISTEMA DE UNIDADES
En todos los documentos técnicos se deben expresar las cantidades numéricas en unidades del sistema Internacional (S.I.). Si se usan catálogos, folletos o planos, en sistemas diferentes de unidades, deben hacerse las conversiones respectivas.
4. NORMAS DE FABRICACIÓN Y PRUEBAS
NORMA | DESCRIPCIÓN |
|---|---|
NTC 2076 | Recubrimiento de cinc por inmersión en caliente para elementos en hierro y acero. |
Las normas citadas en la presente especificación (o cualquier otra que llegare a ser aceptada por ENEL COLOMBIA se refieren a su última revisión.
5. CONDICIONES AMBIENTALES
Los SECCIONADORES DPS 15 kV, serán utilizadas en zona tropical, a la intemperie, entre otras condiciones:
Altura sobre el nivel del mar: 2700 msnm.
Humedad relativa: mayor a 90%
Temperatura ambiente máxima: 40 °C
Temperatura ambiente mínima: -5 °C
6. REQUISITOS
El régimen de utilización será continuo.
La operación será desde piso con pértiga común.

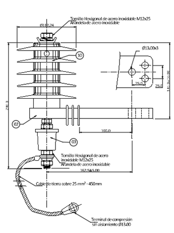
Las características geométricas deben permitir la instalación y operación de los DPS bajo la especificación técnica global de ENEL GSCC016, código: 170892 SA MOV DH 10/24 12kV 43,2kV, garantizando la intercambiabilidad entre los DPS utilizados por ENEL Colombia, a continuación, planos de algunos modelos.
DPS marca Balestro:



DPS marca TE Connectivity:


Marca Yikun.


DPS marca HUBBELL:


La instalación será sobre cruceta metálica (ET419).
La posición será vertical, abriendo hacia abajo (suelo).
Deben estar provistos de un anillo que permita su enganche con pértiga para posibilitar su apertura o cierre.
Deben tener un adecuado sistema de seguro que mantenga el seccionador cerrado en presencia de vibraciones o cortocircuitos. Del mismo modo estará construido de tal manera que no permita la oscilación del elemento móvil cuando el seccionador se encuentre abierto.
Los terminales deben ser capaces de soportar la sobre elevación de temperatura y los ciclos térmicos debidos, que permitan la conexión de cables:
ACSR 266.8 Kcmil, 4/0 AWG y 2/0 AWG.
Semi aislados AAC 95 y 185 mm^2,
Los aisladores deben tener mínimo un BIL de 110 kV, y una distancia de fuga mínima de 300 mm.
Los Terminales deben ser de un material bimetálico que mitigue el par galvánico.
La base debe ser de acero.
Las partes componentes de los seccionadores deberán estar normalizadas de manera que se garantice la intercambiabilidad de cualquiera de las partes constitutivas.
6.1 REQUISITOS DEL RECUBRIMIENTO
Para el recubrimiento se acepta el galvanizado por inmersión en caliente.
6.1.1 Galvanizado por inmersión en caliente.
Deben ser totalmente galvanizadas por inmersión en caliente y deberán cumplir con las especificaciones técnicas de la norma NTC 2076 y deben estar libres de burbujas, áreas sin revestimiento, depósitos de escoria, manchas negras y cualquier otro tipo de inclusiones o imperfecciones.
La capa de material de cinc utilizado será de calidad especial según norma NTC 2076 (tabla 1).
TABLA 1
COMPOSICIÓN QUIMICA DEL CINC ( % ) | ||||
GRADO | Plomo máx | Hierro máx | Cadmio máx | Cinc, mín. |
Especial | 0,03 | 0,02 | 0,02 | 99,90 |
Se deben galvanizar clase B-2 según Norma NTC 2076 (tabla 2).
TABLA 2
REQUISITOS DEL GALVANIZADO | ||||
ELEMENTO | PROMEDIO | MÍNIMO | ||
g/m2 | mm | g/m2 | mm | |
Platinas | 458 | 65,4 | 381 | 54,4 |
6.2 REQUISITOS DEL ACABADO
Deben ser libres de deformaciones, fisuras, aristas cortantes, y defectos de laminación. No se permiten dobleces ni rebabas en las zonas de corte, perforadas o punzadas. El recubrimiento debe estar libre de burbujas, depósitos de escorias, manchas negras, excoriaciones y/u otro tipo de inclusiones.
7. CRITERIOS DE ACEPTACION O RECHAZO
A cada una de los SECCIONADORES DPS 15 kV debe realizarse las pruebas de inspección, en caso de que una muestra no cumpla se rechaza todo el lote.
8. PRUEBAS
8.1 PRUEBAS TIPO
8.1.1 Prueba Dimensional
La verificación de las dimensiones se hará con los instrumentos de medida que den la aproximación requerida (cinta metálica con divisiones de 1 mm para longitudes y calibrador para los diámetros y espesores).
8.1.2. Prueba Del Galvanizado
Para elementos galvanizados, esta prueba se hará de acuerdo con la norma NTC 2076, con los siguientes requisitos establecidos en la siguiente tabla.
La prueba de espesor de recubrimiento debe ser con un ecómetro debidamente calibrado.
Rigidez Dieléctrica con Onda de Impulso, los valores y forma de onda de tensión serán los indicados en la planilla de Datos Garantizados.
Rigidez dieléctrica a frecuencia Industrial Bajo Lluvia, la tensión aplicada será lo indicado en la planilla de Datos Garantizados.
Sobre elevación de Temperatura (Calentamiento).
Resistencia de Contacto (Posterior a la prueba.
Corriente Resistida de Corta Duración (1 s) y Corriente de Pico.
Rigidez Dieléctrica a Frecuencia Industrial. La tensión aplicada será la indicada en la planilla de Datos Garantizados.
Operación y Duración Mecánica: Se debe garantizar 200 operaciones.
Ensayo de Ciclado Térmico de los Conectores.
Inmediatamente a continuación de efectuar el ensayo de corriente térmica de cortocircuito se realizará el ciclado térmico según la norma, para una presentación de clase C (125 Ciclos), sin modificar la conexión, que habrá sido efectuada con conductor de Al de (4/0 AWG) 107.2 mm2.
El valor de corriente será: de 300 A.
8.2. PRUEBAS DE RECEPCIÓN
Las pruebas de recepción son:
Inspección visual
Verificación dimensional
Verificación espesor de galvanizado
Prueba de intercambiabilidad entre marcas de DPS
Maniobra, Se montarán los Seccionadores DPS 15 kV, realizando 200 maniobras de conexión y desconexión mediante una pértiga. Deberán funcionar adecuadamente en todas ellas sin desalineamiento, deterioros ni roturas de ningún tipo.
9. EMPAQUE, ROTULADO Y MARCACIÓN
9.1 EMPAQUE
Deben empacarse de manera que garanticen que no se afecte su estructura ni revestimiento durante el transporte, manipulación y almacenamiento. Los tornillos irán engrasados, con sus tuercas y arandelas instaladas y a su vez instalados.
9.2 ROTULADO DE LA CAJA
En cada caja se colocará un rótulo con la siguiente información.
Especificación del contenido con su referencia.
Nombre y razón social del proveedor.
País de origen.
Cantidad de elementos.
Peso unitario, peso total bruto y neto.
Palabra ENEL.
Número de contrato o pedido.
Fecha de entrega.
Código de Almacén.
9.3 MARCACIÓN DEL MATERIAL
El material debe cumplir la siguiente marcación en bajo o en alto relieve. No se acepta pintura ni calcomanía.
Logo del fabricante
ENEL
Mes y año de fabricación
10. GARANTÍA DE FÁBRICA
ENEL COLOMBIA requiere como mínimo, un período de garantía de fábrica de cuarenta y ocho (48) meses, a partir de la entrega de los materiales.
ANEXO 1. CARACTERÍSTICAS TÉCNICAS GARANTIZADAS
N° | DESCRIPCIÓN | |||
|---|---|---|---|---|
1 | Proponente | Fabricante |
| |
| ||||
2 | Tipo de servicio (interior / intemperie) |
| ||
3 |
| |||
4 | Frecuencia nominal (Hz) |
| ||
5 | BIL (kV) |
| ||
6 | Distancia mínima de fuga del aislador (mm) |
| ||
6 | Recubrimiento | Galvanizado | Tipo (Describir) |
|
Espesor (min/prom, µm) |
| |||
7 | Cumple con la marcación solicitada (Si/No, describir) |
| ||
8 | Presenta plano detallado del diseño a suministrar |
| ||
9 | Desviaciones presentadas a la presente Especificación (Si/No) |
| ||
10 | Garantía |
| ||
RESULTADO DE EVALUACIÓN TÉCNICA |
| |||
A | Certificado del Sistema de Gestión de la Calidad bajo ISO 9001 | Organismo Certificador |
| |
Número de certificado |
| |||
Fecha de aprobación (día/mes/año) |
| |||
Vigencia (día/mes/año) |
| |||
Adjunta el certificado (Si/No) |
| |||
B | Certificado de Conformidad de Producto bajo RETIE | Organismo Certificador |
| |
Número de certificado |
| |||
Fecha de aprobación (día/mes/año) |
| |||
Vigencia (día/mes/año) |
| |||
Adjunta el certificado (Si/No) |
| |||
DATOS ADICIONALES
Revisión #
1
Fecha de entrada en vigencia
Actividad de los usuarios
Para hacer comentarios debe iniciar sesión o registrarse aquí