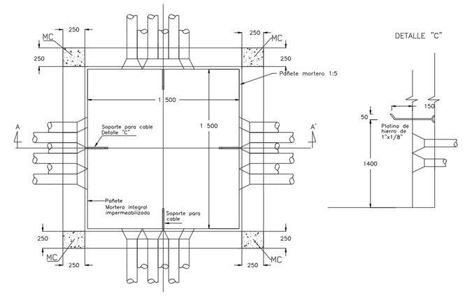
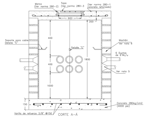
CS280 Caja de inspección tipo vehicular
- Contenido



NOTA:
- Se usará concreto de 280 kg/cm2 (4000psi).
- Se usará de refuerzo tipo P.D.R. 60.
- El mortero será de una proporción 1:5 e impermeabilizado.
- Las medidas están en milímetros, a menos que se indique otra cosa.
- Los ductos deben llegar a la caja con campana terminal.
- Machones de refuerzo ubicados en las esquinas, ver vista en planta para el detalle del machón.
- No se permite la instalación de Barrajes Preformados BT (CS340) para evitar accidentes durante la instalación o mantenimiento.
- No se permite la instalación de Empalmes MT.
DATOS ADICIONALES
Revisión #
4
Fecha de entrada en vigencia
Actividad de los usuarios
Para hacer comentarios debe iniciar sesión o registrarse aquí