CTS596 Centro de transformación prefabricado al interior de edificaciones para transformadores hasta 1000 kVA
- Contenido


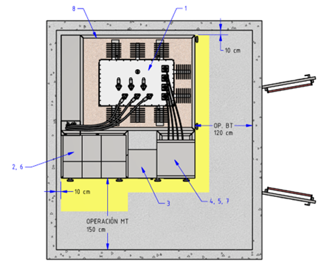
Figura 2. Vista planta.

Figura 3. Vista corte dentro de recinto

Figura 4. Vista isométrica posterior

Figura 5. Vista planta
ALTERNATIVAS
Opción 1: 2L+1T transformador hasta 225kVA.

Figura 6. Vista planta
Opción 2: 3L+1T transformador hasta 225 kVA.

Figura 7. Vista planta
Opción 3: 4L+1T transformador hasta 225 kVA.

Figura 8. Vista planta
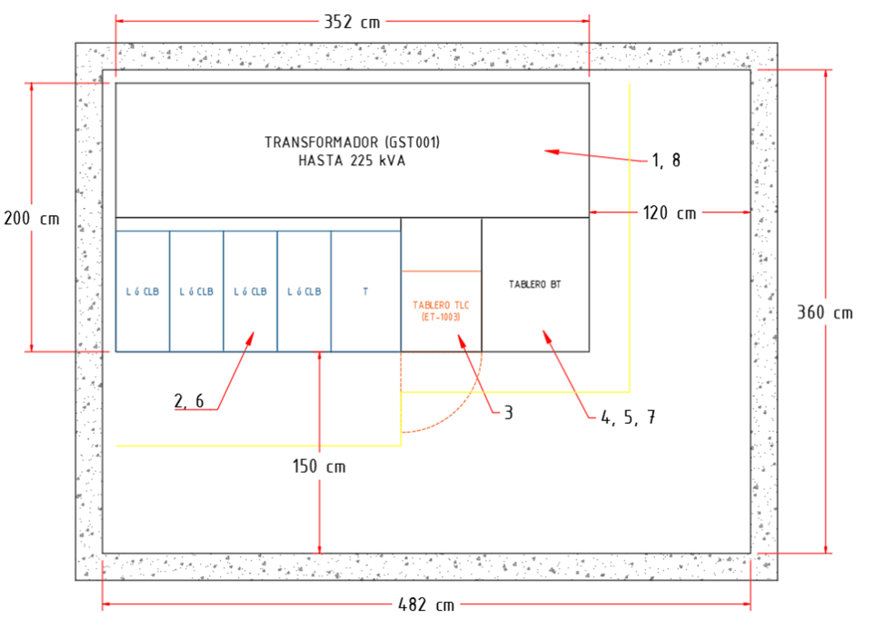
Opción 4: 2L+1T transformador > 225 kVA y hasta 630 kVA.

Figura 9. Vista planta
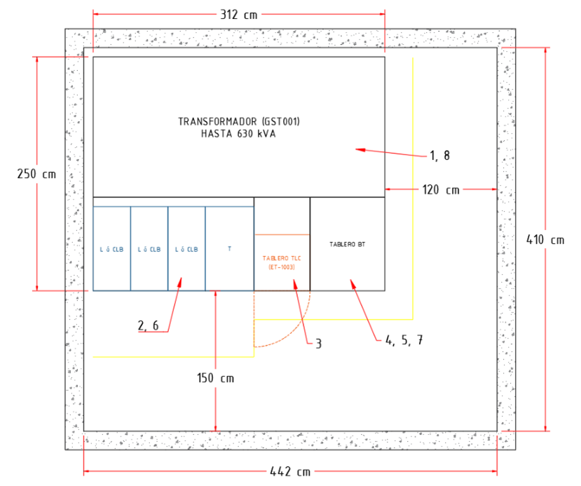
Opción 5: 3L+1T transformador > 225 kVA y hasta 630 kVA.

Figura 10. Vista planta
Opción 6: 4L+1T transformador hasta > 225 kVA y hasta 630 kVA.

Figura 11. Vista planta
Opción 7: 2L+1T transformador > 630 kVA hasta 1000 kVA.

Figura 12. Vista planta
Opción 8: 3L+1T transformador > 630 kVA hasta 1000 kVA.

Figura 13. Vista planta
Opción 9: 4L+1T transformador > 630 kVA hasta 1000 kVA.

Figura 14. Vista planta
LISTA DE MATERIALES
ITEM | ESP. TÉCNICA | DESCRIPCIÓN |
1 | GST001 | Transformador de distribución (2) |
2 | GSM001 | Celdas RMU con seccionador |
GSCM004 | Celdas RMU con interruptor (opcional) | |
3 | ET1003 | Tablero TLC y SSAA servicios auxiliares (8) |
Telecontrol | ||
GSTR001 |
| |
| ||
| ||
ET941 |
| |
ET-RFP NGSN-2020v3 |
| |
Macromedia | ||
| DMIAB000115 |
|
DMIAB000255 |
| |
| ||
| GSCL001 | Tablero de servicios auxiliares |
4 | GSCL002 | Tablero de protección BT (11) |
5 | GSCL003 | Interruptor automático de baja tensión (11) |
6 | Bastidor para conjunto MT | |
7 | Bastidor para conjunto BT | |
8 | Bastidor para transformador |
NOTAS:
- Para activos de ENEL se debe instalar DPS tipo codo en celda de entrada conectado al terminal tipo codo de alimentación, siendo el DPS como el codo del mismo proveedor. Se podrán evaluar otras opciones para proyectos de terceros siempre y cuando cumpla con la certificación RETIE vigente.
- Para activos de ENEL el transformador debe tener una capacidad igual o menor a 1000 kVA y tener aislamiento en aceite con alto punto de combustión y opcionalmente de llenado integral. El tamaño del espacio puede cambiar de acuerdo con el tamaño del transformador seleccionado, así como el espacio destinado a las celdas y los interruptores pueden variar acorde con el diseño especifico.
- Los bujes MT del transformador deben ser tipo inserto para el uso de conectores tipo codo para el cable MT. Los bujes de BT deben ser también aislados con protector de silicona.
- Se permite la instalación de celdas hasta 4 CBL+1T ó 4L+1T (CBL: Interruptor, L: seccionador, T: Protección fusibles) se permite un segundo transformador por sala en caso de requerirse). El espacio y orden de las celdas puede cambiar de acuerdo con el tamaño y fabricación de las celdas seleccionadas.
- El espacio de las celdas puede cambiar de acuerdo con el tamaño de las celdas seleccionadas.
- Se permite la alternativa de celda de medida en MT para proyectos de terceros.
- Se debe integrar un sistema de supresión de arco interno orientado a preservar la integridad humana y la continuidad operativa. La cantidad, disposición y especificaciones de los supresores deberán definirse de manera particular para cada opción de configuración contemplada en esta norma (2L+1T, 3L+1T, 4L+1T), garantizando que las rutas de disipación de sobrepresión y gases calientes mantengan la seguridad de las personas y la integridad del recinto. La validación de dichas disposiciones se realizará en la fase de diseño por parte del fabricante mediante simulaciones que repliquen escenarios de operación y falla, asegurando que cada configuración cumpla con los niveles de mitigación de riesgo exigidos y basados en apartes de la norma IEC 62271-202, estas simulaciones deben ser entregadas en el dossier final de la subestación.
- El tablero de TLC y SSAA contiene los siguientes equipos:
- Concentrador, medidor y Modem de macro medida.
- UP, Fuente, batería y modem de UP.
- Tablero de servicios Auxiliares.
- El tablero de SSAA alimentara el circuito de iluminación, UP, macro medida y toma auxiliar.
- La UP (Unidad periférica) se utiliza para tele controlar hasta 8 equipos. Ver figura No 3.
- El sistema de telecontrol incluye antena; como alternativa se permite el uso de cable de fibra óptica.
- La cantidad de tableros e interruptores de baja tensión depende de la potencia del transformador.
- Se deben instalar tubos PVC TDP de 6 pulgadas para el ingreso y salida de cables de media tensión y las salidas de baja tensión de acuerdo con las normas CS213 y CS150. La cantidad se decidirá de acuerdo con los números de entrada y salida en media tensión y salidas en baja tensión; estos ductos deben quedar alineados a las respectivas celdas que correspondan, teniendo en cuenta que el número máximo es de 6 ductos.
- Todos los equipos deben estar conectados a tierra y en cumplimiento con la norma IEC-62271-200. La malla de puesta a tierra debe estar construida por una malla o anillo perimetral con cable desnudo de cobre con calibre igual o superior al No. 2/0 AWG, se deben utilizar conectores que cumplan la Norma IEEE-837 o en su defecto se utilizará soldadura exotérmica. A la malla de tierra se deben instalar varillas de puesta a tierra de 2,40 m x 5/8” (16 mm), distanciadas entre sí mínimo dos veces la longitud de la varilla. El número de varillas de la malla dependerá de la resistividad del terreno y de la resistencia de la malla a tierra. La resistencia de la malla de puesta a tierra de la subestación debe ser menor o igual a diez ohmios (10 Ohmios) para sistemas de Media Tensión. Se debe garantizar las tensiones de paso, contacto y transferidas máximas permitidas. El sistema de tierra unificado al interior de la cabina debe estar interconectado por medio de una platina o barra que conecte la cabina con la malla de puesta a tierra. Las platinas deben tener la facilidad de conectar con terminal tipo pala del conductor de SPT de la malla externa.
- Las ubicaciones de los equipos deben mantenerse como se presenta en el esquema, celdas MT costado izquierda, tableros BT costado derecha y transformador al respaldo; el tablero de TLC se recomienda su ubicación entre celdas MT y tablero BT.
- Bastidor. Es un bastidor metálico modular para alojar de manera separada el grupo de celdas de Media tensión, tablero baja tensión y transformador con tanque de aceite de hasta 1000 kVA.
- El bastidor del transformador debe contactar con la capacidad de retención del 100% de aceite del transformador. Debe incluir válvula de drenaje de aceite.
- Se deben integrar elementos de absorción sísmica en el transformador, calculados conforme a NSR-10 Cap. A.9 (A.9.4-1). Cada opción de configuración descrita en la norma deberá incorporar en su diseño los ajustes específicos en bastidor y elemento de absorción, de modo que las condiciones dinámicas (sísmicas y de operación) sean controladas de manera adecuada para preservar la seguridad de las personas y de los equipos.
- Los bastidores deberán garantizar la resistencia mecánica suficiente para soportar el peso de los equipos que contienen.
- Los dispositivos de soporte o bastidores deben tener dispositivo de rueda con frenado y facilitar su manipulación fácilmente con montacargas.
- Las dimensiones de la profundidad de los bastidores se determinarán en la fase de ingeniería de detalle, de acuerdo con el tipo de conductor y sistema de desfogue de celdas MT de acuerdo a la nota 7.
- Por reglamentación la ubicación de los equipos debe cumplir con los espacios de trabajo acorde a RETIE.
- El cable de protección al transformador se recomienda el kit GSCC011 Medium voltaje pre-assembled.
- Se permite la alternativa de medida en MT para proyectos de terceros.
- La altura máxima interna del paquetizado es de 2300mm.
- Al contar con transformador con aislamiento en aceite con alto punto de combustión acorde al RETIE en su Artículo 3.17.24. se permite resistencia al fuego mínimo 1 h para la bóveda.
- La disposición de la(s) puerta(s) y ventilación(es) será acorde a lo que se ajuste mejor a cada proyecto individual.
- El orden, posicionamiento y rutas del cable de media y baja tensión es orientativo y pueden cambiar de acuerdo con la armonización del posicionamiento final.
- Se permite la configuración de electro barras en baja tensión.
- Las rutas de media y baja tensión pueden variar según la configuración establecida por el fabricante.
- Las distancias para trabajos/operación en o cerca de partes energizadas pueden ser reducidas acorde a las indicadas por la reglamentación RETIE.
- Para los casos que los activos formen parte del operador ENEL de red todos los equipamientos deben cumplir con las especificaciones del grupo ENEL-CODENSA.
DATOS ADICIONALES
Revisión #
2
Fecha de entrada en vigencia
Actividad de los usuarios
Para hacer comentarios debe iniciar sesión o registrarse aquí